
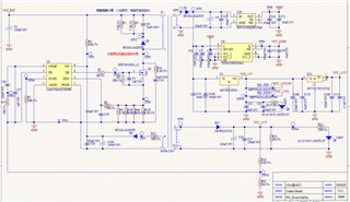
现象级测试过程描述:
1、上电电源没有电流;将R4电阻改为5K,上电电源过流保护,下电摸MOS很热(猜测占空比为最大,没有测试到波形)。将9V和15V的负载减小测试,一样的现象。电源过流保护
2、去掉R4,给pin8直接供12V,0.5A电源,上电电源过流保护
3、将PIN6与MOS管栅极断开,去掉R4,给pin8直接供12V,0.5A电源,上电,供电电源没有电流。测试PIN6没有设计频率波形,一直为7V左右的高电平。
3、上电瞬间捕捉PIN1,没有发现有大于0.5V的电压;
4,测试FD引脚,电压为0.8V,没有大于1.35V
请问:这是什么问题?下一步怎么测试?