我正在使用贵司的TPS23881 PSE供电芯片,最近出现3片莫名损坏,全部通道不能供电,且I2C访问不到TPS23881的情况。更换新TPS23881后,电路板工作一切正常,因此断定为TPS23881损坏。
上述3个损坏的芯片中,有两片是原来能用的情况下突然损坏的,第三片第一次连接负载就不能使用。
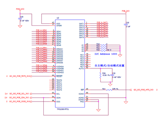
TPS23881用作4通道60w,但实际每通道负载功率不超过35W,电路图如下,第一张图为TPS23881配置电路,第二张为PSE输出外围电路,第三章为POE接口。
请帮忙分析下问题;



This thread has been locked.
If you have a related question, please click the "Ask a related question" button in the top right corner. The newly created question will be automatically linked to this question.
我正在使用贵司的TPS23881 PSE供电芯片,最近出现3片莫名损坏,全部通道不能供电,且I2C访问不到TPS23881的情况。更换新TPS23881后,电路板工作一切正常,因此断定为TPS23881损坏。
上述3个损坏的芯片中,有两片是原来能用的情况下突然损坏的,第三片第一次连接负载就不能使用。
TPS23881用作4通道60w,但实际每通道负载功率不超过35W,电路图如下,第一张图为TPS23881配置电路,第二张为PSE输出外围电路,第三章为POE接口。
请帮忙分析下问题;


