This thread has been locked.

If you have a related question, please click the "Ask a related question" button in the top right corner. The newly created question will be automatically linked to this question.

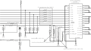
TPS4H160-Q1: TPS4H160-Q1限流值不准确

Part Number: TPS4H160-Q1


Hi,

我们的外部限流电阻R(CL)是1.3kohm,根据公式得到的限流值是1.53A,但实际测试得到单通道的限流值是1.9A

这个偏差合理吗?还是我们的设计存在问题?