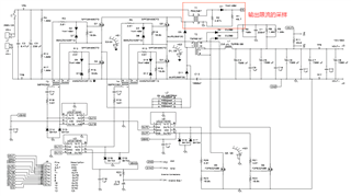
同步MOS,Q5、Q6的关断尖峰在满载的时候,超过了管子的耐压。
请问应该调整RCD中的哪部分才能增强吸收能力?(D4、D6、R6、C1、R8、R9)
请问D4与D6的Ic又如何选择?

This thread has been locked.
If you have a related question, please click the "Ask a related question" button in the top right corner. The newly created question will be automatically linked to this question.
HI
这个芯片的Snubber电路计算,TI也没有提供计算方式,而我有snubber计算文档,都不符合这个芯片的计算。
或者你可以在美国E2E上问一下,看他们能够提供这个芯片snubber电路的计算文档:https://e2e.ti.com/