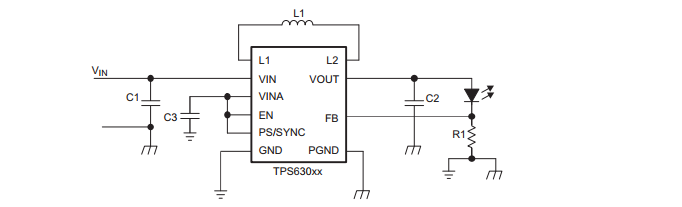
想用TPS63060做一个2.5~12V宽电压输入600mA输出的恒流源.
TPS63060 FeedBack参考电压是500mV, 如果在负载和地之间串联
一个0.8欧姆的取样电阻,FB接在取样电阻上,做成600mA左右输出的恒流源,输出功率3W。
这样做会不会有什么问题?
This thread has been locked.
If you have a related question, please click the "Ask a related question" button in the top right corner. The newly created question will be automatically linked to this question.
Hi
可以的,参考这篇文档: http://www.ti.com.cn/cn/lit/an/slva419b/slva419b.pdf
LED电流= Vfb/R1. (另外这篇文章还提供了改善效率和改善电流控制精度的设计,你可以参考)