Other Parts Discussed in Thread: , EV2400
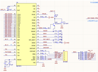
根据bq76952EVM板设计电路(实际未按照温度传感器),上电激活能用EV2400调试读取到数据,也能写OPT等操作,但将EV2400移除,同样也是激活BQ76952,BREG为0V,通用REGIN也为0V,没有正常工作是什么问题?
This thread has been locked.
If you have a related question, please click the "Ask a related question" button in the top right corner. The newly created question will be automatically linked to this question.
您好,It looks like REG1 is being supplied by the EV2400 connector in the schematic. REG1 and REG2 are not enabled by default, so while the EV2400 is connected, the REG0 Configuration and REG12 Configuration registers need to be programmed. Are these being configured correctly before the EV2400 is disconnected?