This thread has been locked.

If you have a related question, please click the "Ask a related question" button in the top right corner. The newly created question will be automatically linked to this question.

请问,有没有一种芯片上能输出正电源和负电源?

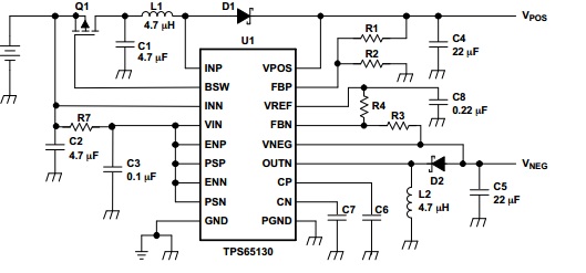
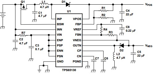
Other Parts Discussed in Thread: TPS54060, TPS65130

看到有芯片能将正电源转换成负电源,但是这样的话好像不能保证正电源和负电源的误差以及噪音相同。

我使用正负电源给一种电流反馈运放供电,最大电压±7.5V,根据我的放大倍数,我想要±7~±7.5V的电压,请问是否有合适的芯片推荐?

最好能低纹波。

谢谢