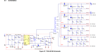
根据下图中TI的参考电路图设计之后发现,输入(位置1)和输出(位置3和位置4)的振铃过大如何解决?

位置1的波形图如下


位置2的波形图如下:


位置3的波形


位置4的波形


This thread has been locked.
If you have a related question, please click the "Ask a related question" button in the top right corner. The newly created question will be automatically linked to this question.
根据下图中TI的参考电路图设计之后发现,输入(位置1)和输出(位置3和位置4)的振铃过大如何解决?

位置1的波形图如下


位置2的波形图如下:


位置3的波形


位置4的波形


Hi
首先输入电容尽量靠近芯片Vin脚,如果仍不能消除Vin上的振铃,建议在输入再增加LC看看?
您好
在SW引脚和GND之间增加RC缓冲电路是否可行呢?LM5160这个芯片是否支持增加RC缓冲电路呢?
HI
同时建议从layout上改善,严格按照说明来做。