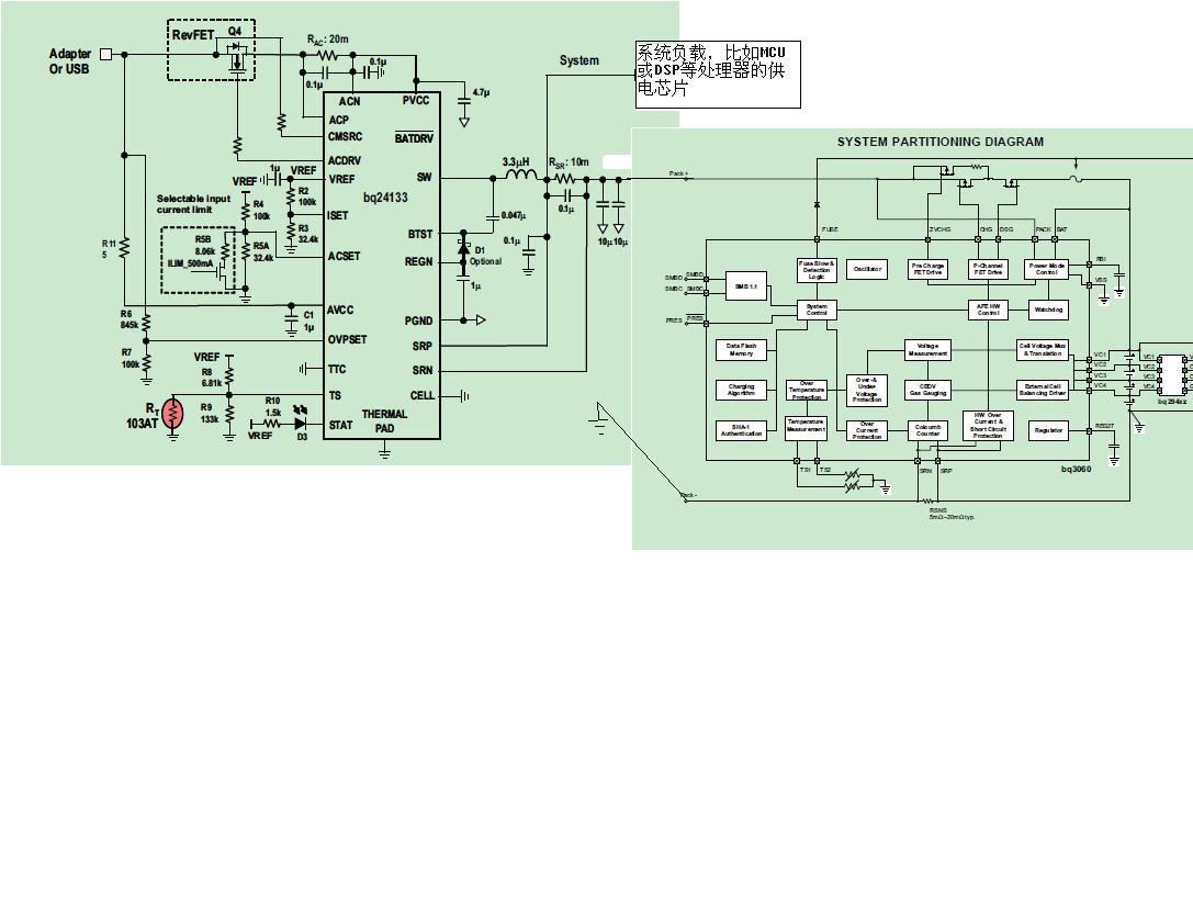
avcc=14.39v
pvcc=14.79v
cmsrc=14.7v
acdrv=20.2v
stat=0.2v 灯常亮
ttc=1.98v
vref=3.30v
iset=0.4v
cell=3.3v
acset=1.15v
ovpset=1.31v
batdrv=14.75v
regn=6.0v
btst=图1 电压最高处20V
参照BQ24133EVM的电路,加入BQ3060做SMBUS通信。
问题,充电电流达不到设定值2A,3串锂电池,stat常亮(电池接和不接一样),温敏电阻短接灯会闪烁,
ISET=0,灯灭。输出参照EVM 电感3.3uH,电容10uF 2个。