This thread has been locked.

If you have a related question, please click the "Ask a related question" button in the top right corner. The newly created question will be automatically linked to this question.

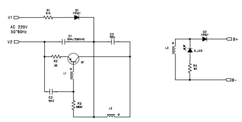
详谈RCC电路工作原理 欢迎大家来拍砖



如图是一个简易的RCC电路图

  • 1.1   R1:抗浪涌电阻,

    1.2   D1:半波整流管,

    1.3   C1:初级高压直流滤波,

    1.4   C2:初级反峰吸收电容,

    1.5   L2:初级线圈Np,

    1.6   R3:开关管启动电阻,

    1.7   C3:高次谐波滤波电容,

    1.8   L1:反馈线圈Nf,

    1.9   Q1:开关三极管,

    1.10  R2:电流负反馈电阻,

    1.11  G-:LED电源指示灯,

    1.12  R4:电源指示灯限流电阻,

    1.13  D2:次级整流管,

    1.14  L3:次级线圈Ns.