BQ76942在应用中出现以下问题,请帮忙确认一下:
我们在测试中发现,在高温70度的情况下,TS2出现被拉低导致BMS被唤醒的情况,是什么原因造成的,是否有改善方案。
另咨询以下问题:
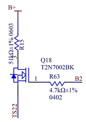
1. 正常应用中,TS2能否一直被外部电源拉高,如附件电路那样;
2. 如果TS2允许外部拉高电平的话,那耗电是多少;

This thread has been locked.
If you have a related question, please click the "Ask a related question" button in the top right corner. The newly created question will be automatically linked to this question.