This thread has been locked.

If you have a related question, please click the "Ask a related question" button in the top right corner. The newly created question will be automatically linked to this question.

GSM模块供电问题



现在使用 华为的几款3G无线网络模块mu509与mc509,需要3.8V的供电电压

希望由5V转换3.8V,最大电流2A以上,TPS系列的稳压器哪一款比较适合呢?

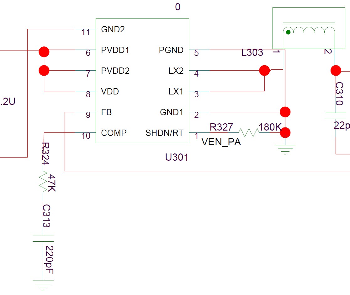
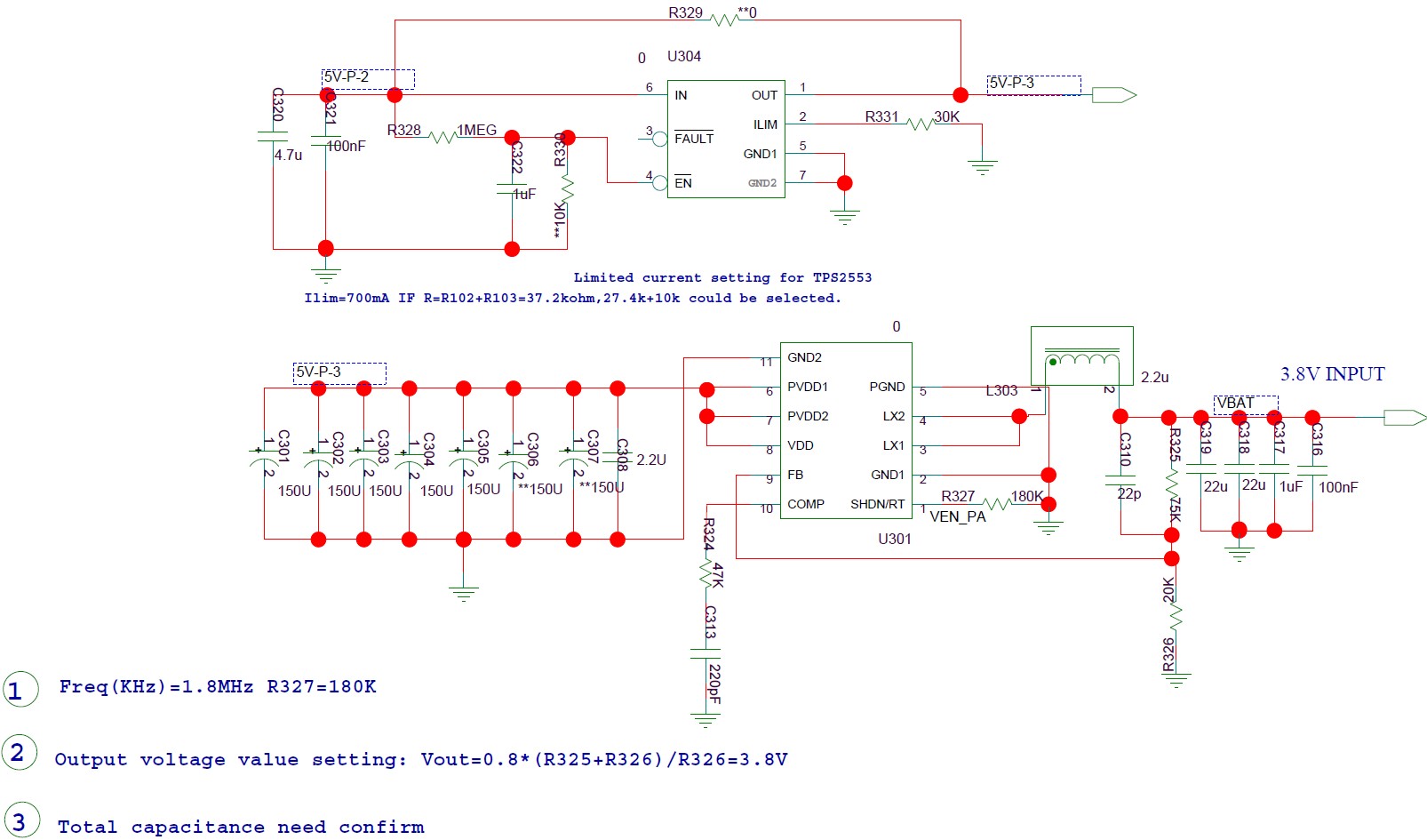
如图是MU509评估板上面的供电方案原理图,感觉原理图上的u301使用的便是TI的器件,但不知道具体型号,希望能在此得到答案