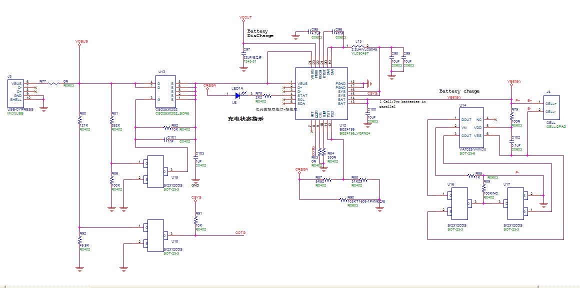
sir,在用BQ24195作为移动电源的充放电IC时,发现无法将电池电压(3.7V)升压到5V,附件是我司的线路图,VA7023是作为充电保护电路使用。
设计时,没有使用IIC编程,使用BQ24195默认程式跑下去
还请帮忙check问题,谢谢
This thread has been locked.
If you have a related question, please click the "Ask a related question" button in the top right corner. The newly created question will be automatically linked to this question.
sir,在用BQ24195作为移动电源的充放电IC时,发现无法将电池电压(3.7V)升压到5V,附件是我司的线路图,VA7023是作为充电保护电路使用。
设计时,没有使用IIC编程,使用BQ24195默认程式跑下去
还请帮忙check问题,谢谢
你好,BQ24195应用在移动电源方案上必须配合单片机,否则的话不会工作在boost模式,所以需要加主机进行控制,满足:
1. BAT above BATLOWV threshold (VBATLOWV set by REG04[1])
2. VBUS less than BAT+VSLEEP (in sleep mode)
3. Boost mode operation is enabled (OTG pin HIGH and REG01[5:4]=10)
4. After 220ms delay from boost mode enable
sir,请问BQ24195 不设置寄存器的值,只是在默认状态下跑的话,他的状态是怎样的?默认输出是多少V?电流多少?
不写寄存器的话,默认是工作在充电状态,充电电压大约4.2V,电流2A,SYS电压是跟随电池电压的(195带NVDC功能,最低默认在3.5V)。
sir,在默认状态下,我有量PMID脚,他的电压是3.9V(电池输出也为3.9V),但是有负载接上的时候,电压降低为3.2V左右,请问这个是正常的吗?默认状态,PMID应该输出电压,电流是多少?谢谢