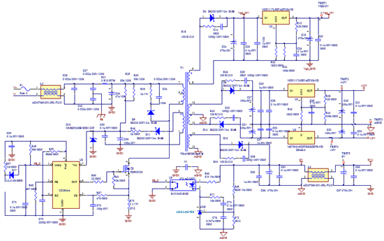
使用 UC 2844 VIN 40~60VDC OUT 8V 1A
NP:45T NS15T CORE E161815 Ae 20.1mm2
1:大小波 調回授 影響不大 調整輸入電壓實 後改變頻率
2:GS有毛邊 相對DS也受影響 是共模雜訊影響嗎 因當式器炭棒 短路 量輸出 正端 或負端 也會像GS 端毛邊
不知是否變壓器算錯嗎
謝謝
This thread has been locked.
If you have a related question, please click the "Ask a related question" button in the top right corner. The newly created question will be automatically linked to this question.
使用 UC 2844 VIN 40~60VDC OUT 8V 1A
NP:45T NS15T CORE E161815 Ae 20.1mm2
1:大小波 調回授 影響不大 調整輸入電壓實 後改變頻率
2:GS有毛邊 相對DS也受影響 是共模雜訊影響嗎 因當式器炭棒 短路 量輸出 正端 或負端 也會像GS 端毛邊
不知是否變壓器算錯嗎
謝謝
你所说的毛边的问题,跟你说的大小波问题其实是同一个问题,只要解决大小波,毛边问题自然就解决了。从你的原理图上来看,你可以更改一下几个方面,1、光耦原边二极管并联一个1K电阻。2、将3842的3脚对地电容改为500P左右,然后再3、4脚之间接一个100P的电容。至于你说的是不是变压器引起的,这个有可能,一些参数的改变会引起一些电路状态的改变,但可以通过别的方法解决的,你可以试试。
1:先將3842的3脚对地电容改为500P左右 則正常 無大小波 謝謝大師 -ok
1、只改 光耦原边二极管并联一个1K电阻。 不會大小波 但會 打幾幾週之後 pwm 後休息 後再打pwm 一直循環 這是為什麼?