This thread has been locked.

If you have a related question, please click the "Ask a related question" button in the top right corner. The newly created question will be automatically linked to this question.

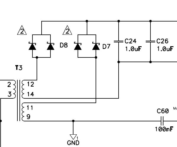
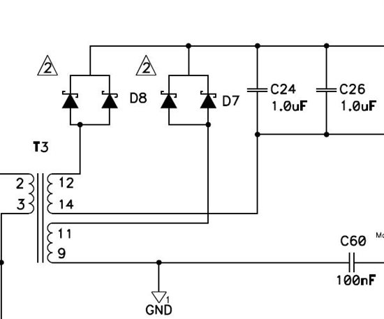
关于 UCC25600 应用的问题



请问C24 c26 D7 D8与T(r)3 的接法 在两个图中不同,这两种接法各自有什么优势? 那一种更好? 谢谢