This thread has been locked.
If you have a related question, please click the "Ask a related question" button in the top right corner. The newly created question will be automatically linked to this question.
Hi
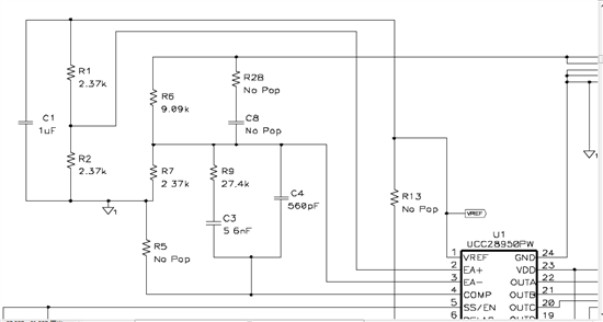
你指的是R5,R28,R13,C8吗? 这些电阻电容是没有,也就是那些地方都是断开的。