无线充电bq51013接收端接负载时,接收电感测试波形,电感的TP4,TP5两个端点测出来的波形不太一样,一个是类似正弦波波形,一个是规则的方波波形。这是为什么?请专家解惑一下,谢谢!

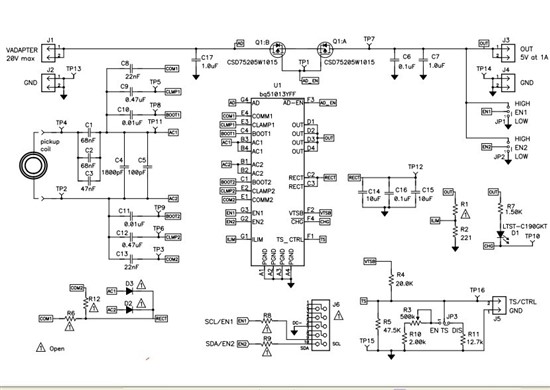
接收端原理图

接收电感TP4测试的波形(通道3:接收电感,通道2:发射电感)

接收电感TP5的测试波形(通道3:接收电感,通道2:发射电感)
This thread has been locked.
If you have a related question, please click the "Ask a related question" button in the top right corner. The newly created question will be automatically linked to this question.
无线充电bq51013接收端接负载时,接收电感测试波形,电感的TP4,TP5两个端点测出来的波形不太一样,一个是类似正弦波波形,一个是规则的方波波形。这是为什么?请专家解惑一下,谢谢!

接收端原理图

接收电感TP4测试的波形(通道3:接收电感,通道2:发射电感)

接收电感TP5的测试波形(通道3:接收电感,通道2:发射电感)