Other Parts Discussed in Thread: LMZ12003
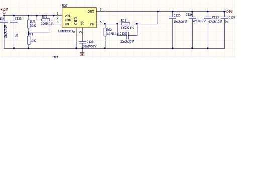
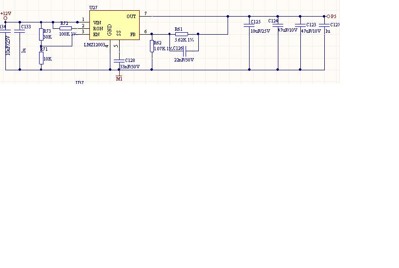
使用LMZ12003出5V电压,电路如图所示,在调试时,发现如下问题,输出电压仅为2.336V,经测量发现,1脚电压正常12V,2脚1.562V,正常,3脚2.923V正常,5脚电压为0.033V,不正常,6脚电压也仅为0.372V,手册上说明6脚正常输出应为0.8V,想请教下,问题大概出现在什么地方。
This thread has been locked.
If you have a related question, please click the "Ask a related question" button in the top right corner. The newly created question will be automatically linked to this question.
Other Parts Discussed in Thread: LMZ12003
使用LMZ12003出5V电压,电路如图所示,在调试时,发现如下问题,输出电压仅为2.336V,经测量发现,1脚电压正常12V,2脚1.562V,正常,3脚2.923V正常,5脚电压为0.033V,不正常,6脚电压也仅为0.372V,手册上说明6脚正常输出应为0.8V,想请教下,问题大概出现在什么地方。