This thread has been locked.

If you have a related question, please click the "Ask a related question" button in the top right corner. The newly created question will be automatically linked to this question.

LM5575开关电源问题

Other Parts Discussed in Thread: LM5575, LM1117

目前我的一款电路板已经做出了样品, 电源芯片使用了LM5575, 情况如下,

1, 输入电压为24VDC(开关电源 220VAC 输入, 输出24VDC 给我的电路板供电).

2, 我用LM5575, 把24VDC 降到了10VDC, 然后10VDC通过7805变成5VDC, 5VDC通过LM1117变成3.3VDC给电路板上的MCU,以及其他芯片供电.

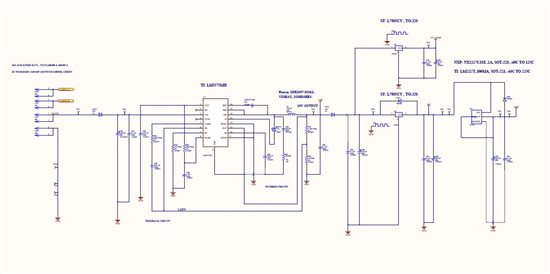
3, 电源部分的电路图我在下面贴出.

我的问题,

1, 目前发现有一块样板的, GND上有120mv 峰峰值的干扰脉冲, 从频率上看, 大概是280khz, 跟我LM5575的开关频率很接近(300khz),

示波器的图形如下,测试条件: 板子只是上电,没有接任何的负载, 输入输出 .

2, 另外测试了14块样板 GND上的干扰脉冲, 峰峰值最多只有20mv, 由于示波器时间拉长后看不到有干扰脉冲,所以无法判别和LM5575的开关

频率(300khz)是否有关系. 好的板子上的GND波形如下.

3, 所以想知道是什么原因导致了出现了第一条所示的120mv峰峰值得干扰脉冲, 为什么其他的14块板子都没有出现这样的情况.

如果是元器件的原因, 有可能是哪个元件有问题?

4, 目前LM5575开关电源的GND, 和电路板其他的GND是通过铺铜直接相连, 没有进行隔离.

是否需要把LM5575开关电源的GND, 和电路板其他的GND先隔开,然后一点相连, 这样开关电源

对电路板的GND干扰会比较小? 我的电路板上需要处理温度传感器等模拟量.

5, 开关电源的Layout部分,基本上做到了元器件尽量靠近相连,按照电路图的顺序相连.

我用的是Altium.如果需要,我可以贴出Layout图.

 

  • 你好,有功率电流回流到芯片,因此,不能采用单点连接的方式。

    你提到的GND上干扰脉冲大,请问是芯片的“GND引脚”相比较“功率地”测试的结果么?

    如你所示,的确是开关噪声干扰导致。如果只是这一块单板的干扰特别大,可否尝试检测下外部阻容及芯片的焊接等因素?

  • 多谢Neil Li的回答.

    我的示波器探头和示波器探头的地线接在一起,放在电路板上任何一点GND上.

    测试结果都是一样的, 地线弹跳有120mv的峰峰值.

    开关电源的地线弹跳是如何计算的? 有没有相关的应用手册等资料?

    仔细检查了这块板子的焊接和元器件, 目测良好.

    尽量减少输入输出侧的环路能减少地线弹跳吗?

    我这块板子由于结构的原因, C53和L2距离LM5575有点远 .

    从电路上看, 还有什么地方可以改进的吗?

    多谢!

  • Hi

        我觉得主要是layout的问题,例如功率回路,最好是把layout图发上来看一下。

        一般来说电感,电容等都是要尽量靠近芯片的,同时要避免一些回路或者PAD(SW)产生寄生电感或者寄生电容。

  • Tom, 探头和底线接在一起,形成了一个环状,这是最容易接收干扰的“天线结构”哦。

    此时,在测试点得到的波形,参考价值值得商榷啊。建议不要这样测试,或者将地线缠在探头上。

     

    C53看不清是什么电容,输出电容么?最好靠近芯片,尽量缩短主功率的路径。

  • 测地弹噪声可能同轴电缆更好一点

  • C53是VIN输入端电容,

    我下次把示波器探头地线绕在探头上试试看.