This thread has been locked.

If you have a related question, please click the "Ask a related question" button in the top right corner. The newly created question will be automatically linked to this question.

UCD9222电源控制的问题

Other Parts Discussed in Thread: UCD9222

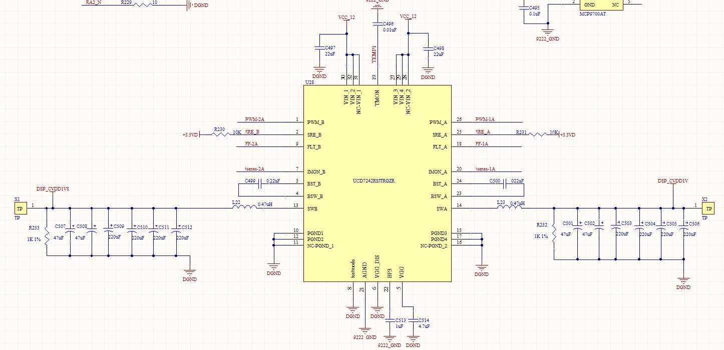
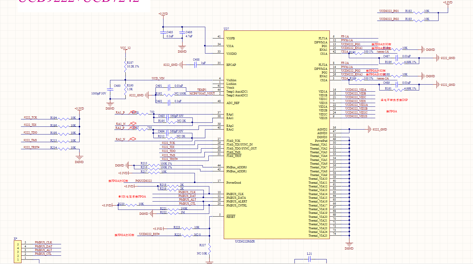
作了一块TI6678的板卡,只有一片6678,供电完全参考TI 6678 EVM的设计,但是板子上面的UCD9222电源没有输出;

主要现象如下:

(1)在TI 6678 EVM上面,如果将USB-GPIO连接到PMBus上,也是观察到电源没有输出,但是不接USB-GPIO可以看到,DSP电源正常;

(2)在自己的板卡上面,UCD9222的配置文件采用TI EVM里面的配置,接上USB-GPIO没有输出,断开USB-GPIO,然后加载FPGA程序,UCD_9222_PGGOOD引脚没对,DSP的电源还是没有输出???

查了很久,EVM和自己板卡的原理图上面,基本都一样的,只有下面的差别:

(1)TI EVM上面,我分析FPGA程序,连接到UCD9222的VID控制脚实际上是没有使能的(程序当中的VID_OE脚拉高);而我现在PCB上面VID脚都是和DSP的VID脚接通了的;

(2)DSP_VD和DSP_VCL是DSP连接到PMBus的,需要通过DSP程序使能,我的这两个脚是接到FPGA的。

 

还请各位老师帮忙分析一下,谢谢!