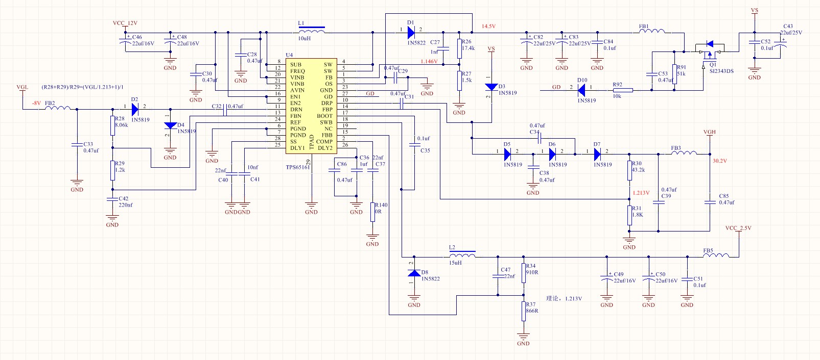
电路原理图如下所示
这个电路在我们的很多产品上都有用,有一款产品在调试时发现,当用风枪或烙铁对电源芯片加热时,随着温度的升高,所有的输出电压都会跌落,以VS为例,电压从14.5跌落至13V以下,跌幅在10%以上。其他输出电压都有相同幅度的跌落。我测量了参考电压,所有参考电压都有这个幅度的跌落。我把芯片换在我们其他工作正常的产品上,对芯片加热又没有这个问题,现象非常奇怪。不是个别现象,我们有一个500套的小批量产品,全部存在这个问题。后了我们把工作正常的产品的电源部分,直接复制过来,进行改板,但调试样机时,发现问题依然存在,实在找不出原因了,请求帮助,谢谢。
