TI WEBENCH设计工具是非常强大的!没有发现这款软件之前,进行电源设计时总是有点不知所措。大部分情况下,设计电源的部分电路时,都要去参考别人的经验设计。有时候却发现,这个设计并不是最佳方案,效率低下,甚至有严重问题。所以,在设计电源电路的过程中,我们都会非常慎重地对待,生怕出现任何的纰漏,导致灾难性故障!
偶然间发现,在TI的官网和一些社区网站上出现了WEBENCH这个名称,后来仔细阅读才知道这是一款电源在线设计工具,刚开始也不以为意,觉得这只不过是个小工具而已。后来,在实际应用中,我们要设计一个复杂的电源电路,在面对高输入电压40V以上时的宽范围供电芯片选择上,我们在TI网站上搜了几天也没有确定好型号,主要是型号太多,没有现成的原理图,没有一个大体价格估计,看着一些芯片官网价格都比较昂贵,担心成本过高,也不好购买,所以迟迟没有决定。突然间,想到了这个工具,就回到官网主页上开始使用。就是这个界面:
该工具支持多种功能,有【Clocks】,【Filters】,【传感器】,【电源】【FPGAup】【LED】等方面的设计。在这里,我们选择【电源】,单输出,开始设计工具,如果是多负载电路,就点击左边红色按钮!点击按钮后,软件载入了一个FLASH界面,出现一个参数输入界面。如下:
在这里选择DC,40V-48V输入,12V2A的输出,系统会自动筛选出合适的芯片方案,哈哈,很神奇,比在官网上逐个找器件强很多了。注意,在功能特色筛选里面,要选择【ALL】,这样才能看到最多的芯片方案哦!很快,软件就筛选出了22种芯片方案让我们选择,当时那个兴奋啊。如果是逐个器件查找,这个得耗费多大的精力!在给出的22种芯片方案中,有个预览功能,可以实时地查看芯片电源的架构,是BUCK还是LDO,方案的BOM数量,整体价格一目了然,虽然这个价格可能不是很准确,但也大体反映出一个成本趋势。
经过认真对比,我们选择了一款LM5085系列的芯片。它是一款高电压非同步降压稳压器,采用8引脚的迷你型SOIC及LLP封装,适用于高达75V的输入电压,还可将输出电压调低至1.2V,并输出5A以上的负载电流。可以支持多种不同的高电压降压系统,无需提供环路补偿,内置的输入前馈电路都可确保开关频率几乎恒定不变,内置P沟道MOSFET驱动器,可将操作时的占空比提高至100%,即使输入电压稍微高于输出电压,也能确保输出电压的稳定。
开启设计后,很快就来到了一个环境友好的方案界面,内容非常丰富。上层是菜单栏,支持【新设计】【解决方案】,【VISUALIZER】,【BOM】,【图表】,【原理图】,【优化工具】,【工作数值】,【仿真】,【编辑】,【Export】,【打印】,【分享设计】和【帮助】子菜单。下层界面是上层子菜单的展开。
在页面的左上角,有个【我的设计我的项目】在里面可以查看以前设计过的电源方案,也就是该工具具有在线保存功能,可以为电源设计增加备注等。下图是使用仿真功能得到的图表,支持【Startup】【Steady State】【Input transient】【Load transient】等仿真类型。
【BOM】菜单也非常方便使用。它支持讲器件导出的EXCEL表格中,方便统计,而且给出了【制作商】【零件编号】【数量】【价格】【属性】【覆盖面积】【器件顶视图】等众多信息,支持选择代替元器件。这个功能是非常有用的,比如芯片方案选择的是0402封装的阻容器件,如果觉得太小,可以换成0805封装, 甚至器件都可以自定制,这个功能极大地扩展了芯片方案的易用性。
利用【优化工具】,可以看到芯片方案的一些详细参数,以图表的形式给出:
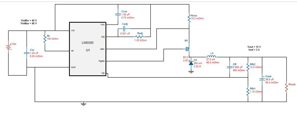
在【编辑】菜单下,可以实现对设计的详细标注。通过【Export】导出功能,可以导出大部分PCB工具都支持的原理图格式,最常用的就是ALTIUM DESIGNER格式。通过【打印】菜单,可以将整个设计内容以PDF格式存成文档。里面集成了各种数据图表和详细参数,是我们进行电源设计过程中最重要的内容。生成的原理图如下:
官网提供了一个评估板,并有详细的版图参考,这样就更加降低了设计的安全隐患并提供了方案的可靠性和稳定性。如下图
总而言之,使用 TI WEBENCH设计工具可以非常迅速有效地得到各种设计方案,可以很好地比较各种方案的优缺点以确定最佳方案,其中涉及各种电路的成本核算以及效率等参数的分析对于设计工程师来说相当有用,当然这些强大功能是基于TI公司超多的电源芯片作支持,每一种设计都可以使用不同的电源芯片来完成,非常方便,就像一个电源类的“超市 ”。







