This thread has been locked.

If you have a related question, please click the "Ask a related question" button in the top right corner. The newly created question will be automatically linked to this question.

C6678 CVDD电压不正常

Other Parts Discussed in Thread: LM10011, LM21215A

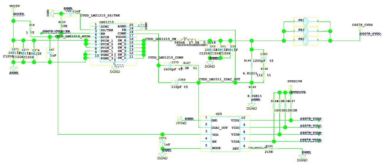
采用LM21215A+LM10011做为供电电源;

空载时CVDD输出电压1.02V

当连接好C6678是(带上负载) cvdd输出电压为0.72V 原本以为是LM10011调节引起电压下降

去掉LM10011后 输出电压依然是0.72V

LM21215A上VFB的电压值为0.41V 严重怀疑LM21215A的能力,还是我本身电路设计有问题?

下图为设计原理图: