This thread has been locked.

If you have a related question, please click the "Ask a related question" button in the top right corner. The newly created question will be automatically linked to this question.

UCD3138 仿真器扫描不到器件

Other Parts Discussed in Thread: UCD3138

以下测试正常:1、复位电路正常    2、PMBUS连线正常  3、芯片工作电压没问题

没有扫描到器件的原因是什么?

  • 需要测试PMBUS的data和clock的电压是不是3.3V。

    如果是,请将报错的截图发给我。

    另外,Device GUI需要如下操作:

    点击左下角的Change the Device Scanning Options,然后选择UCD3XXX Isolated

  • hello Neil Li,

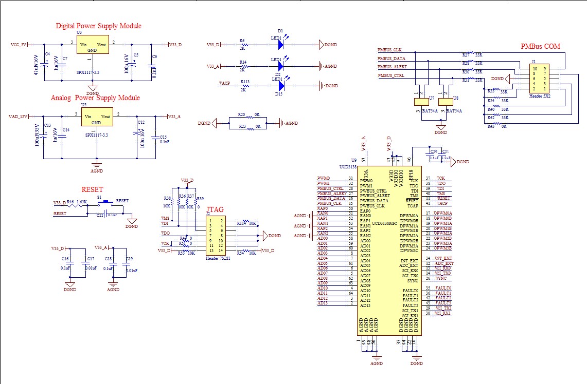
         我已经测试了PMBUS的data和clock的电压是3.3V。我也已经选择了UCD3xxx isolated,报错的截图在附件以及原理图,

     如果看不清,麻烦再联系我,谢谢!!

                                                                                      xiaochun liu

  • Hello Neil Li,

            我测试了PMBUS的data和clock的电压是3.3V。我也选择了UCD3138XXX Isolated,我把报错的截图和原理图在附件附上,我已经整了好几天了,麻烦帮我解决一下,非常谢谢!!

                                                                                           xiaochun liu

    错误截图.zip
  • 我试了下,当仿真器的接口没有插好(没有真正连接到UCD3138的clock和data引脚),会出现此类错误。

    请确保连线都是okay的。

  • hello Neil Li,

        我连接了好几次,还是有问题。我一开始认为外部供电的问题,然后将我的控制板的供电都靠仿真器来提供的。靠仿真器供电,我也测了PMBUS的clock和data的电压也是3.3V。我发给您的原理图有问题吗?

                                                                                                           xiaochun liu

  • 仿真器的输出到板子上的插座,线序有没有出错?确认下

    换个板子试一试?

  • Hello Neil Li,

        我现在用了另一个板子,把要写程序、复位电路、供电电路焊了,也是一样的问题。线序也没问题。原理图有问题吗?谢谢

                                                                                                                                             xiaochun liu

  • 原理图没有发现问题。

    只要UCD3138的bpcap是1.8V,是可以通过仿真器连接到的。

    芯片是裸片吗?之前没有烧录过程序吧

  • hellow Neil Li,

              偏置电压也是1.8V,这个没问题,芯片是在E络盟买的裸片。谢谢

  • Hello Neil Li,

                 引脚46的偏置电压是1.8V,芯片在E络盟买的裸片。谢谢!!

                                                                                                               xiaochun liu

  • 额,说实话,我也没有办法了。我调试时很少出现一直通信不上的。

    可以联系我们的销售,重新申请芯片。

  • Hello Neil Li,

           UCD3138RGC没有样品申请,一般偏置电压1.8V,芯片应该没问题呀。仿真器一般不会坏的吧。

  • 仿真器有一个绿色的灯,是不是亮的?

    如果是亮的,仿真器就没有损坏。

    芯片的3.3V和1.8V只要建立,也没有问题了。

    可以摸一下芯片烫不烫?只要不烫,通常芯片就是正常的。

  • Hello Neil Li,

        仿真器是亮的,芯片的电压3.3V和1.8V建立了,芯片也不烫的。谢谢!!

                                                                                                                            xiaochun liu

  • Hello  Neil Li,

        你好,以下这两条语句怎么理解?为什么加8再除以16?dead_time_1_local = (pmbus_dcdc_config[0].dead_time_1 + 8) >> 4;
    Dpwm0Regs.DPWMRESDUTY.bit.RESONANT_DUTY  = (pmbus_dcdc_config[0].max_period + 1) >> 1;
                                                                                                                                        
                                                                                                                                                                        xiaochun liu
  • 我也遇到这样的问题,分别将evm-30的J2跳线连接,使用PMSBUS给板子供电(3.28V)和用外部+12V给板子供电,都找不到设备,选择了UCD3XXX Isolated,仿真器灯也是绿的???

  • 我也遇到了相同的问题,请问你当时怎么解决,是不是焊接时热风器温度太高,造成了芯片的损坏,这到底是怎么回事啊,怎么避免这问题啊