This thread has been locked.

If you have a related question, please click the "Ask a related question" button in the top right corner. The newly created question will be automatically linked to this question.

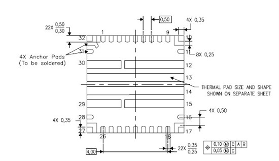
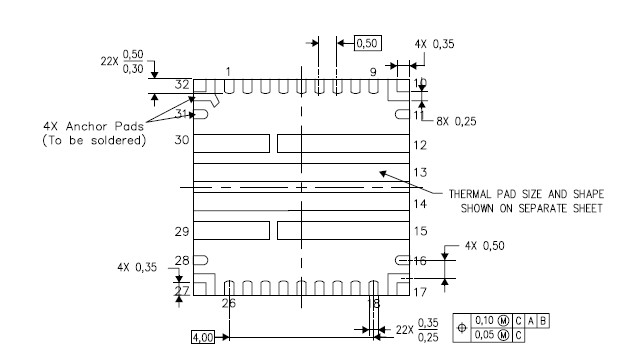
求UCD7242的pcb封装!这么难画的东西为什么官网不提供?