Hi expert
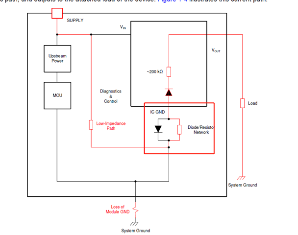
In the test condition required by the customer, there is a condition in which the power supply of the controller is connected to the power supply, the ground of the controller is disconnected, and then the chip output is short-circuited to the power supply,
as shown in the figure. May I ask whether there is a correlation impedance between the GND and OUT of this component, leading to the return path from the GND OUT, thus burning the chip? In addition.
for this experiment, Does TI have any good recommended protective measures? Thank you.

