Other Parts Discussed in Thread: TPS74401
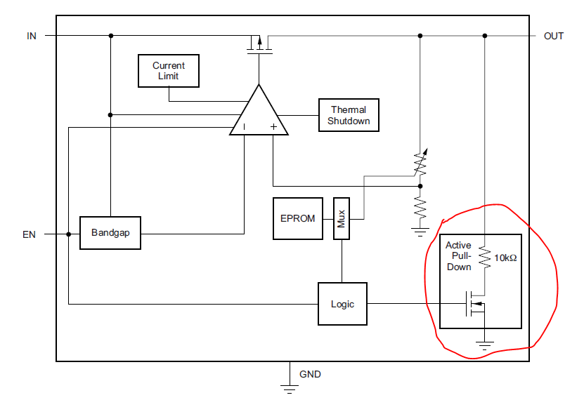
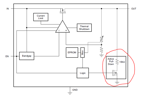
请问电源芯片TPS74401中的EN引脚,置为高时,芯片输出;置为低时,芯片shutdown。请问,我是否可以将EN引脚当做IO口引出到MCU上,再通过此MCU的串口在电脑上位机软件界面上控制TPS74401的输出通断?可以这样使用吗?谢谢!
This thread has been locked.
If you have a related question, please click the "Ask a related question" button in the top right corner. The newly created question will be automatically linked to this question.
Other Parts Discussed in Thread: TPS74401
请问电源芯片TPS74401中的EN引脚,置为高时,芯片输出;置为低时,芯片shutdown。请问,我是否可以将EN引脚当做IO口引出到MCU上,再通过此MCU的串口在电脑上位机软件界面上控制TPS74401的输出通断?可以这样使用吗?谢谢!