This thread has been locked.
If you have a related question, please click the "Ask a related question" button in the top right corner. The newly created question will be automatically linked to this question.
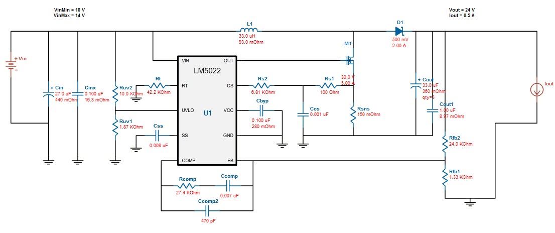
电路如图,Rsns用一段0.1欧的导线代替,M1用的是IFRF024N。
导线肯定是不行了
因为导线有寄生电感,这样CS脚采样到的电流信号很差,电路没法工作
建议你还是买个电阻贴上去试试