1.TPS5430具有良好的特性,其各项性能及主要参数如下:
高电流输出:3A(峰值4A); 宽电压输入范围:515~36V;高转换效率:最佳状况可达95%;宽电压输出范围:最低可以调整降到11221V;内部补偿最小化了外部器件数量;固定500kHz转换速率;有过流保护及热关断功能;具有开关使能脚,关状态仅有17uA静止电流;内部软启动
与其他同类型直流开关电源转换芯片相比,TPS5430的高转换效率特别值得关注。图1为在12V输入电压、5V输出电压时TPS5430转换效率与输出电流的关系曲线图。
2,洗面根据工作要求确定设计参数,然后根据参数设计电路和选择外围元器件
输入电压范围:1018~1918V;
输出电压:5V;
输入波纹电压:300mV;
输出波纹电压:30mV;
输出额定电流:3A。
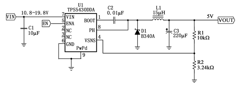
3.设计的电路图如下
4.元件的选择
输入电容。
TPS5430需要一个稍大些的退耦电容。这里推荐10μF(C1)的高性能陶瓷电容。也
可以选择小一点的电容,但要满足输入电压和额定电流波纹要求。
输出滤波器件。
输出滤波器件,即L1、C2。TPS5430具有内部补偿电路。输出电感与最大输出电流有关,这里选择15
μH电感。输出电容是影响额定电压、额定波纹电流和等价阻抗(ESR)的重要设计因素。此应用中选择220μF输出电容,此时电路中产生的RMS波纹电流为143mA,需要最大的ESR为40M
Ω。
输出电压设置。
输出电压由VSENSE脚的电阻(R1、R2)决定。如果输出电压510V,参考电压
11221V,R1为10k
Ω,则确定R2为3124kΩ。
BOOT(启动)电容。
BOOT电容C2选择0101μF。
捕获二极管。
TPS5430需要外部捕获二极管,选择B340A,它的反向电压为40V,正向电流3A,正
向电压015V。

