This thread has been locked.

If you have a related question, please click the "Ask a related question" button in the top right corner. The newly created question will be automatically linked to this question.

USB-PD-CHG-EVM-01: USB-PD-CHG-EVM-01 GUI 配置问题

Part Number: USB-PD-CHG-EVM-01


Hi,Team

我使用GUI 进行配置出现了以下问题,请问下如何解决?

我配置了多次都是可以的,只是今天出现了问题;想确认下Flash是否存在多次写入内存不足的问题;

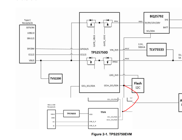
硬件上,使用TPS25750D EVM TIVA模块接I2C到USB-PD-CHG-EVM-01 EVM的 Aardvark Header进行写入Flash;