Other Parts Discussed in Thread: BQ40Z50
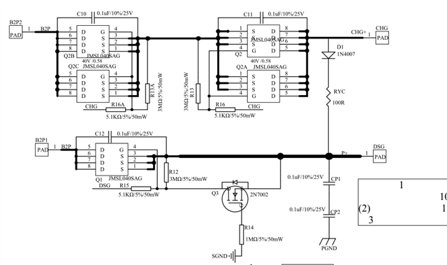
如图所示。在参考电路基础上。将充电回路和放电回路分开:充电回路使用一对(4个)手拉手的MOS;放电回路使用一个NMOS。
不考虑电量计量的问题。上述的分口是否有问题?芯片能否正常驱动NMOS?

This thread has been locked.
If you have a related question, please click the "Ask a related question" button in the top right corner. The newly created question will be automatically linked to this question.
如图所示。在参考电路基础上。将充电回路和放电回路分开:充电回路使用一对(4个)手拉手的MOS;放电回路使用一个NMOS。
不考虑电量计量的问题。上述的分口是否有问题?芯片能否正常驱动NMOS?

您好,请参考下面内容
BQ40Z50 does not support parallel path type applications.
Please see some of the other threads discussing this, here is one: