This thread has been locked.

If you have a related question, please click the "Ask a related question" button in the top right corner. The newly created question will be automatically linked to this question.

关于LM5010

Other Parts Discussed in Thread: LM5010

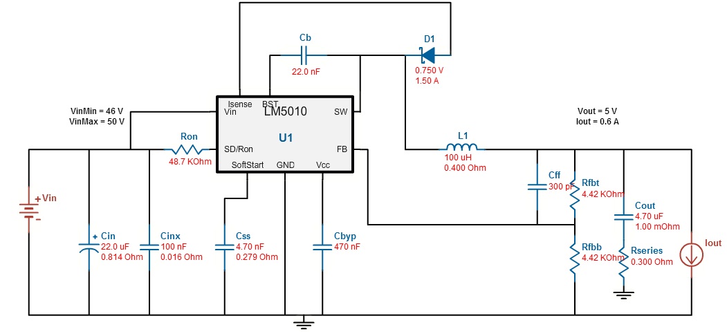
使用LM5010,48V输入5V输出。

没有输出,只有上电时SW引脚有个很短的信号。

麻烦帮我看看问题出在哪里!检查了各个引脚,无短路情况。