以前总能看到别人问如何将5V电源变为-5v.部分人会回答通过变压器或者其他稳压芯片混在一起然后把参考改变。 就相当于把其他 的电压当做参考第,然后之前那个地就是-5v了。但是后来看了些资料。觉得还是用电荷泵方法最好。
电荷泵的基本原理是给电容充电,把电容从充电电路取下以隔离充进的电荷,然后连接到另一个电路上, 传递刚才隔离的电荷。我们形象地把这个传递电荷的电容看成是“装了电子的水桶”。 从一个大水箱把这个桶接满,关闭龙头,然后把桶里的水倒进一个大水箱。电荷泵也称为开关电容式电压变换器, 是一种利用所谓的“快速”或“泵送”电容,而非电感或变压器来储能的DC-DC变换器(直流变换器)。 它们能使输入电压升高或降低,也可以用于产生负电压。其内部的MOSFET开关阵列以一定的方式控制快速电容器的充电和放电, 从而使输入电压以一定因数(1/2,2或3)倍增或降低,从而得到所需要的输出电压。这种特别的调制过程可以保证高达80% 及以上的效率,而且只需外接陶瓷电容。由于电路是开关工作的,电荷泵结构也会产生一定的输出纹波和EMI。
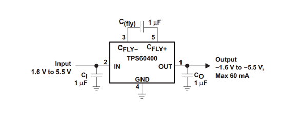
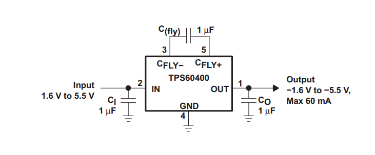
早期接触了TPS60400这款芯片,电流能达到60MA.在电荷泵芯片应用里面来说已经算很高了。
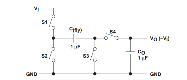
里面的结构
用法超级简单。外部只要三个电容就行了。其中2个还是输入和输出的2个滤波用的电容。后面自己加了几个电阻来测量这芯片的效率以及输出的电流。为了测量输入的功率。在输入端加了一个22的电阻,这样就可以算出输入的功率了。以此来算出这芯片的效率。
芯片PDF官方给出的指标如下图。
下面是实测电路部分。首先上电。空载。输出直接了接了电容至第。输入输出关系如下。基本就是直接为负的输出。
接下来为了能测量输入的功率,在输入端串了一个电阻,22.实测,22.28欧姆。
输出纹波较小。140MV.输入纹波168MV.频率基本都是600HZ.
接了一个220欧负载到输出。在测量。输入为4.634V.输出为-4.309V。输出纹波288MV。了。频率达120K输入也增大。并且纹波很粗糙。拉宽了频率看还有波形。通过测量输入端电阻电压0.4351可以知道输入端电流。
再次把负载降低。是电流增大。这回电流增大奖金50MA。芯片有点烫。
把负载放了个68欧的阻值。再测量。输入3.916,输出-3.378,输出纹波达316MV,输入332MV.输入端那个串联的电阻电压1.1023V.
通过计算。负载在220是。输出电流将近20MA.负载68欧时候。输出将近50MA。此时芯片有点热了。没有往上面继续减少负载,怕烧。测量的效率通过计算在93%。
另外以后有时间在测量下其他电荷泵的芯片。












