【说明】:
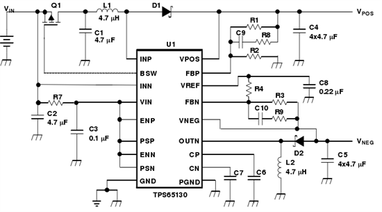
图1: TPS6531的基本电路
图2: TPS6531的大部分引脚说明
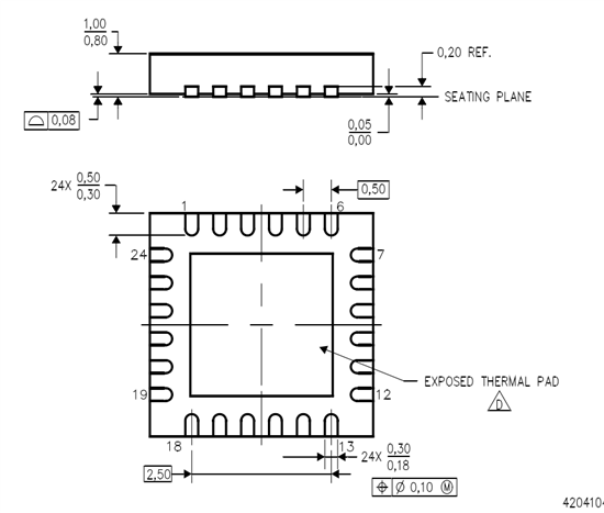
图3:TPS6531的封装图
【问题】:1、 基本电路里面出现比如“INN”引脚,在说明里面是5,6引脚同为"INN",那实际连接是连接一个INN还是两个都这么连接?同理INP和PGND引脚。
2、两个接地,AGND和GND之间,直接相连可以吗?还是加入0欧电阻进行处理?
3、封装有现成的库吗? 如果自己画能把弧形化成直角吗?
感激每一次和大家一起学习的机会~~谢谢!
This thread has been locked.
If you have a related question, please click the "Ask a related question" button in the top right corner. The newly created question will be automatically linked to this question.
1、相同的引脚都连接
2、分与部分在于布线布局以及对元件使用的功力,能做到很牛的时候,分开完全可以 ,但是如果分开分得不好的话,比不分还悲剧
3、自己做一个库就行,可以把弧形画成直角
1、相同的引脚都连接
2、分与部分在于布线布局以及对元件使用的功力,分开完全可以 ,但是如果分开分得不好的话,比不分还悲剧。PGND、GND、AGND、DGND都是自己来定义的,
一般说来:
PGND是指电源地,POWER GND
AGND是指模拟地,ANALOGUE GND
DGND是指数字地,DIGITAL GND
GND,泛指地
之所以分开是为了避免不同部分之间的相互干扰,比如数字模拟之间,数字多为高频信号,如果和模拟混到一起会因互助干扰而工作不正常,电源部分通常引入很多纹波或高次谐波,所在电源地最好也要分开, 但最终所有的地还是要连到一起,一般用磁珠连接,磁珠的参数要根据信号情况来选择 .
3、封装是有库的,但是很难找到自己理想中的封装。自己做一个库就行,也可以画成你想要的。。把弧形画成直角。。
liumin chen 说:个人认为,,主要还是看自己做封装的习惯
这个封装是QFN24的封装,在AltiumDesigner09中,系统自带了TI的封装库,里面就有QFN24的封装的。像这种通用性的封装,没必要自己画,而且自己画的有误差。