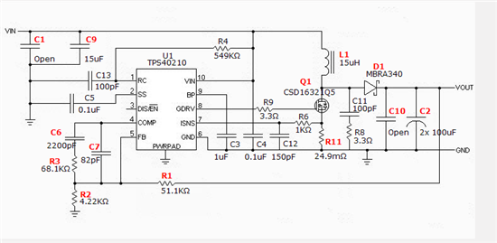
用TPS40210做了一个5V升9V的升压电路,空载可以正常升压,带负载最多只能到9ohm,电压为8.7V左右,再减小的话电压几句下降到7.2V,不知道是什么原因,下面上原理图和波形图,将原理图中的25mohm电阻去掉了
用的是自己焊的面包板,不知道影响大不
1脚带15ohm与带9ohm的波形
5脚轻载与重载波形
8脚轻载与重载波形
请大牛们帮忙看看,感激不尽
This thread has been locked.
If you have a related question, please click the "Ask a related question" button in the top right corner. The newly created question will be automatically linked to this question.
用TPS40210做了一个5V升9V的升压电路,空载可以正常升压,带负载最多只能到9ohm,电压为8.7V左右,再减小的话电压几句下降到7.2V,不知道是什么原因,下面上原理图和波形图,将原理图中的25mohm电阻去掉了
用的是自己焊的面包板,不知道影响大不
1脚带15ohm与带9ohm的波形
5脚轻载与重载波形
8脚轻载与重载波形
请大牛们帮忙看看,感激不尽
你好,你这波形也太跳了,减小电流采样电阻试试先,如果不是这个问题,检查闭环回路看看,谢谢。
楼主,你设定的输出电流额定值是多少。这里的这个25mohm的电阻不能去,这个电阻是电流采样电阻,必须要接,如果不接,那么电流采样的值一直为零,控制环路会有问题。你把波形再测试一下,触发调好,单次触发一下,看看波形是什么样的。
1.测量MOS源级的波形,这个波形可以反映电感是否合适。
2.测量开关节点的波形,这个波形可以反映是否稳定。
3.输入功率是否受限?
谢谢
我设定的输出额定电流是2.1A,加上采样电阻的话带负载能力特别差,就把它去掉了
在工作时候你摸摸芯片有没有发烫。背面如果不连接的话,散热会很差。IC主要就是靠背后的PAD来进行散热的。尤其是大负载的时候。
负载电阻变小的时候会有一个极限值,掉到8ohm以下的时候电感会一直响,然后电压就从8.8V左右掉到6.8V,请问这是什么原因造成的?
你这个波形是第7脚的波形是吧,你的测量有两处不妥。
1:目测你好像调到了交流耦合或者垂直位移不再零刻度。你要确保耦合方式为直流耦合,而且垂直位移应该为0(就是示波器探头接地,那一条水平线应该在零刻度)。
2:你的极性好像接反了。示波器的接地夹接在GND,示波器的探针接在7脚。
建议你观察是否有上述两个错误,如果有的话,请更改之后,再次测量发图。
如果这个波形就是你的7脚波形的话,而且有上面的两个错误的话,那么毫无疑问电感饱和了。
环路震荡的问题是由于R3、C6、C7这几个RC元件的取值,导致PWM的占空比忽大忽小。导致输出有低频的震荡。一般来说,C7越大,稳定性越好,但是环路反应越慢,C7越小,环路反应越快,但是越容易引起震荡。
这两个图怎么跟你10:04发的图不一样呢?和你10点04分发的那个图不应该差别这么大啊。
还有,这个电流采样电阻的波形跟GDRV波形好像不太一致呢?
你的这个波形后面有重影是吧,这个重影就反映了电路的震荡。
您好!请问正常的7脚输出应该是怎么样的呢?我也在用这款芯片,输出电流的值一直上不去,想求教一下,谢谢了