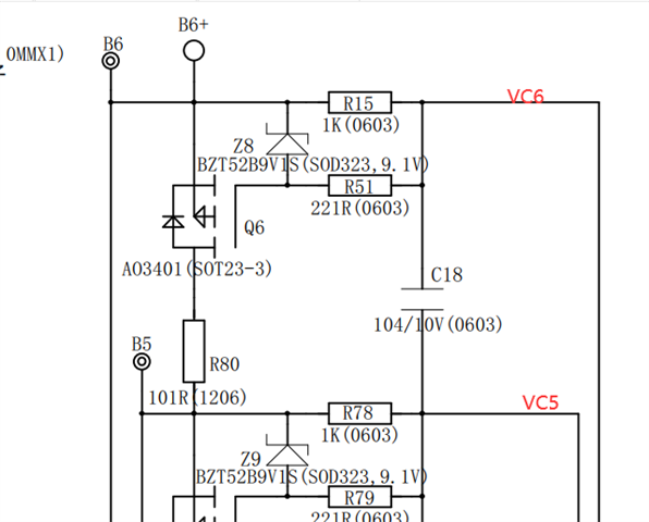
单节电芯电压读取,第1~3节只能从0x0071 DAStatus1寄存器读取吗?目前第1~3节采用0x0071 DAStatus1读取,4~6节从0x3C~0x3F地址读取。对比情况下,第1~3节读取后会不稳定。
正常值

异常值

This thread has been locked.
If you have a related question, please click the "Ask a related question" button in the top right corner. The newly created question will be automatically linked to this question.
单节电芯电压读取,第1~3节只能从0x0071 DAStatus1寄存器读取吗?目前第1~3节采用0x0071 DAStatus1读取,4~6节从0x3C~0x3F地址读取。对比情况下,第1~3节读取后会不稳定。
正常值

异常值
