Part Number: LM5116

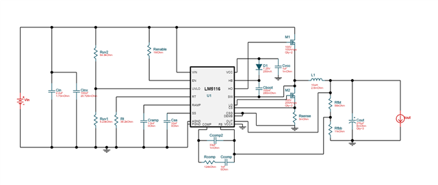
输入电压20V-60V输出7.4V/20A,这是我使用TI webench power designer得到的原理图。但是做出来的电源在60V输入时会出现输出电压不稳定的现象。以下是空载时测得波形(带载时也会出现同样问题)
这是7.4V输出电压。
上面的波形是7.4V电压,下面的是SW处波形。
请问为什么出现这个现象?
This thread has been locked.
If you have a related question, please click the "Ask a related question" button in the top right corner. The newly created question will be automatically linked to this question.
Hi
是否严格按照webench仿真,例如输出电容ESR.
另外是否严格按照datasheet上要求layout?