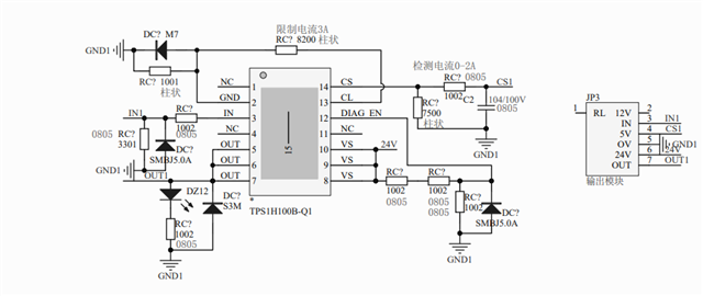
原先采用的ST的VN340S,因为没有电流检测功能,客户想用Ti的TPS1H100-Q1;但是在测试过程中Vout和GND连续短路;出现出火花现象;

This thread has been locked.
If you have a related question, please click the "Ask a related question" button in the top right corner. The newly created question will be automatically linked to this question.
Hi
先断开负载,拆除稳压管之类的干扰,确认芯片是否损坏?
另外请问你芯片哪里买的?