This thread has been locked.
If you have a related question, please click the "Ask a related question" button in the top right corner. The newly created question will be automatically linked to this question.
Other Parts Discussed in Thread: TL431, TPS23754
请具体描述一下实际现象。
请抓一下输入输出电压波形,及PWM的电压波形。
TL431反馈部分在哪里?
请测试此时占空比是否已经达到最大?还是说有抖动?
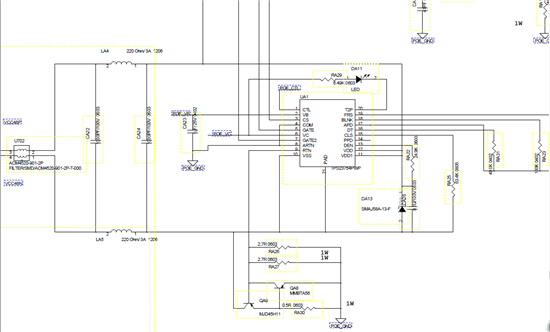
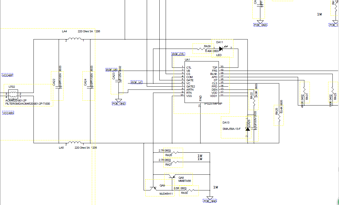
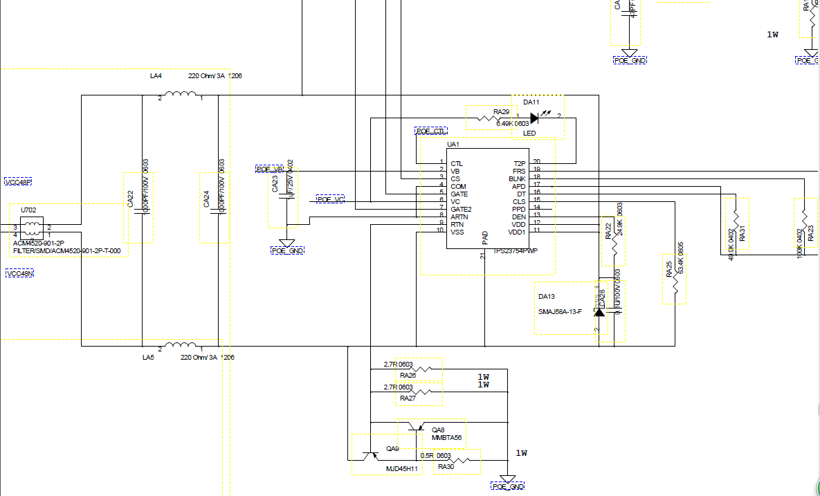
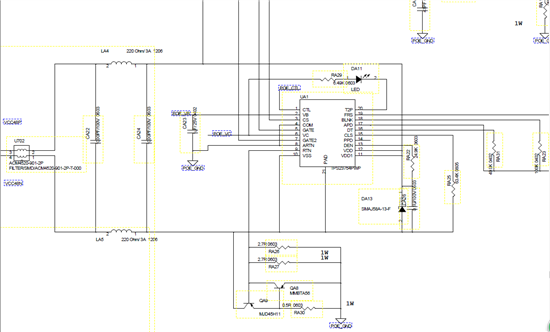
楼主,你的输入供电是从PSE端直接过来还是直接用一个adapter接入的?如果PSE供电,那么看一下TPS23754与PSE的握手是否成功。如果直接adapter供电,测试一下GATE和GATE2是否有信号输出。另外,请教一下,下面这一部分电路楼主是用来干什么的呢?
TPS23754PWP和TPS23754PWP-1 在我的这个电路里面起到的效果有什么不同,或者只能用那个?
你好 ,供电是网线接口通过POE升压供电的,