要求:
输入:DC12V-14V之间(汽车上)
输出:+-12V 或者+-9V
后端用于三个OPA1612运放使用,谢谢
This thread has been locked.
If you have a related question, please click the "Ask a related question" button in the top right corner. The newly created question will be automatically linked to this question.
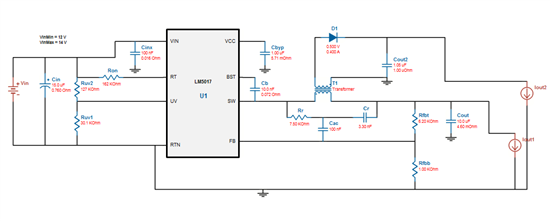
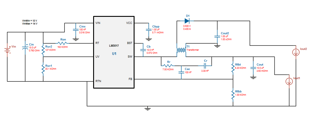
你好,你是给运放供电,所以这里可以使用LM5017的flybuck方案,在后面再加两颗高PSRR,低噪声的LDO来稳压,这里flybuck 方案你可以使用webench软件帮你设计,谢谢。
Hi
可以用TPS54040/TPS54060系列的这类芯片 转换12~14V 到-9V: http://www.ti.com.cn/cn/lit/an/slva317b/slva317b.pdf
正电压可以直接使用LDO, 选择比较多。
Hi
用在汽车上可以是TPS54040-Q1
要较低的noise, 可以在负电压转换后增加LC.