This thread has been locked.

If you have a related question, please click the "Ask a related question" button in the top right corner. The newly created question will be automatically linked to this question.

关于TPS54628同步降压转换器

Other Parts Discussed in Thread: TPS54628

             在电源的设计过程中,经常需要使用降压电路。对于小电流的电路,LDO无疑是最好的选择,但是对于转换电压压差较大,而且输出的电流比较大设计需求,LDO就远远不能满足要求了,其损耗过大,效率差。这个时候,同步降压转换器就是最好的选择了。在这里楼主需要推荐一款12V转5V,而且封装类型最好SOT的,输出电流高达5A的芯片。如果用LDO的话,损耗就高达35W,是不可想象的。降压同步转换器就是最好的选择了,帖子链接:

http://www.deyisupport.com/question_answer/analog/power_management/f/24/t/73679.aspx

          感谢TI的FAE:,以及XP会员热情的解答了楼主的问题,同时大力推荐了输出电流高达6A的TPS54628,还介绍了一款设计神器Webench,让IC的选择更加灵活多样化。

            在这里不得不说一说TPS54628这一款同步降压转换器,其输入电压高达4.5V到18V,输出电压也可以从0.76V至5.5V,可以说是满足了我们绝大部分的设计要求,更为重要的是,我们看看你外围的设计参数,及其的简洁。这个也是我们设计中需要重点关注的地方,因为这样可以省下大片的空间。提高整体的功率密度。

          之所以选择TPS54628,其许多的优点也是不容忽视的:其内置的同步MOSFET的内阻及其的小,36mΩ(高侧)与 28mΩ (低侧)。可以实现整体的高效率,对于整机的效率提升有极大的好处。还有一个关断时候的电流只有10uA,功耗极低。看看你输出电流高达6A以上呢。

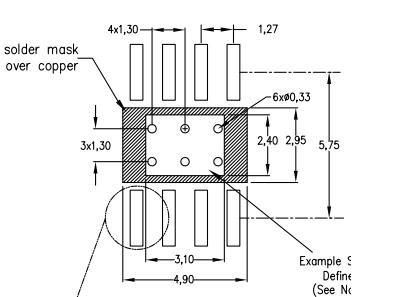
          最后呢,也说说TPS54628的保护,毕竟安全第一啊。TPS54628的各种保护可以说的及其全面的。从缓启动,到过压保护,过流保护,甚至是断流保护,都一应俱全。最后芯片还内置了过温度保护。可以说是应有尽有哦。输出纹波还极低。对了,提一下,芯片的封装有DDA,下面带热焊盘的,可以极大的降低芯片的温升,适合高温的场景使用。

           以上这些就是个人使用TPS54628的一点感受,与大家分享一下。