This thread has been locked.

If you have a related question, please click the "Ask a related question" button in the top right corner. The newly created question will be automatically linked to this question.

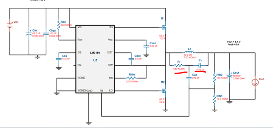
LM3150频率,电感问题求解

Expert 1550 points

Other Parts Discussed in Thread: LM5017

请各位高手帮我看看我这样计算频率有没有错:

Vmax=34V,Vmin=10V,OUT=8.4V,电流8A

Dmin = VOUT/VIN-MAX                Dmin = 8.4V/34V = 0.247
Dmax = VOUT/VIN-MIN                Dmax = 8.4V / 10V = 0.84
fsmax = 0.247/ 200 ns = 1235 kHz
tOFF = (1-0.84)/1235 kHz = 130s      (不知道是要除1235还是1000)

tOFF应满足以下标准:
tOFF > tOFF-MIN + 200 ns (PDF实例里面tOFF-MIN是最大,这里应该选最大值(523),还是典型值(370))
tOFF > 725 ns

最小导通时间:

fS < (1 - D)/725 ns
fS < (1 - 0.84)/725 ns = 220 kHz

以上为频率计算过程不知道是否有错,请指点。

电感计算:

ET = (34-8.4) x (8.4/34) x (1000/220) = 28.7 V μs

从电感器列线图中可知 应该用10UH电感,但是用电器的电流是不断变化的有时1A有时8A,电感该怎么选呢?请指点一下,谢谢。