网友huchuyou 有提到关于移相全桥电源开发芯片选取问题:http://www.deyisupport.com/question_answer/analog/power_management/f/24/p/2647/7054.aspx#7054
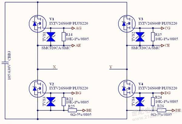
我这里和TI的Liang Sun 和Jerry Chen 的推荐一样,优先选用UCC28950,这款IC与UCC2895相比不仅集成了同步整流,而且在斜坡补偿的设计上更加简单方便,同时空载可以设置工作在DCM状态,很好的解决了空载环流大主桥MOS管发热严重的问题。总之在摸索调试了一段时间后感觉这款IC在做ZVS-PSFB方面还是很经典的,我这里有一些应用方面的简单参考,希望能有所帮助,谢谢!





