LMR64010 升压芯片,能否达到40W输出。有没有其他芯片能达到40W输出要求的?
This thread has been locked.
If you have a related question, please click the "Ask a related question" button in the top right corner. The newly created question will be automatically linked to this question.
Hi
见另外一个帖子里的回复:
建议用12供电,因为这样MOS的电流比较小,你可以选择一些内置MOS的芯片,例如TPS55340: http://www.ti.com/product/tps55340
感谢你的耐心解答。还想询问一下,是否有芯片能提供更大功率,电压不低于30V。输出60W及以上。感谢推荐!
Hi
内置MOS应该很难做到,因为即便12V输入,输入电流到超过5A, 峰值电流至少6A, 在输出电压比较高的情况下很难找到这样的芯片。(用webench选型找不到这样的芯片)
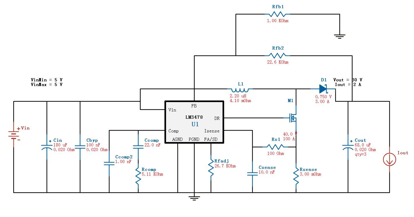
用webench设计的电路,我还是用5V输入,输出30V,2A。用LM3478MM做电源芯片。由于受空间限制。其中电感我选的2.2uH,14A。3m欧的电阻没用上(买错器件)输出电容是加了10uF。但是没有明显升压效果,下面是实验数据。输入5V,输出7.3V。输入4V,输出8.2V。输入6V,输出6.7V。请帮忙分析一下。非常感谢。
Hi
这是个电流模式的控制芯片,需要sense电阻的三角波电压与电压反馈的误差信号进行比较得到占空比。
Hi
加上sense电阻后再测试(再买), 测试的时候从轻载开始调试,逐步增加负载到2A.
另外你采用5V输出,可以的话尽量提高一点,原因是按照你升压到30/2A, 即便是输入5V, 输入的平均电流将达到13A左右, 再加上电感的纹波电流4A左右,峰值电流在15A以上,或需要选择17A以上的电感。 所以如之前选择12V比较好。
对于输入电容,要尽量靠近电感,可以加大一点,避免瞬态变化时拉低。而芯片的Vin也建议尽量靠近其脚layout一个电容用于稳压。
Dear Johnsin Tao
感谢你的耐心解答,我会继续实验的。5V输入,这是一个需求,不能改变。如果有更好的方案,可以推荐给我。再次感谢你对我的帮助。
祝你工作顺心,生活愉快!
Hi
如之前推荐用webench仿真选型, 可以得到的芯片如LM3478,LM5121/2,TPS43060/1之类。
后两者为同步升压。
如果你现在用的是LM3478, 先直接用这个芯片调试看看.
我用两个6m欧的电阻替换3m欧的是否可行?(有6m欧的)剩下电感选的是2.2uH 14A。电路核对没有连错。输出端用的30uF电容(不清楚是否影响输出)。但是输出电压还是和之前的数据一样。(至少应该有升压吧?实验没带负载)