问题描述:TPS62173 PG端口接什么
帖子链接:http://www.deyisupport.com/question_answer/analog/power_management/f/24/t/31186.aspx
解答问题的TI FAE: Randy Wang 、 Johnsin Tao、 Yangwei Yu
个人心得:
TLV62173 是一款易于使用的同步降压 DC-DC 转换器,其针对高功率密度应用进行了优化。 典型 2.25MHz 高开关频率允许使用小型电感器并且通过使用 DCS-Control™ 拓扑技术提供快速瞬态响应以及高输出电压精度。
借助它的 3V 至 17V 宽运行输入电压范围,此器件非常适合用于由锂离子或者其它电池以及由 12V 中间电源轨供电的系统。 它在输出电压介于 0.9V 至 6V 之间时支持高达 0.5A 的持续输出电流(使用 100% 占空比模式)。
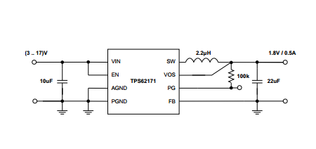
通过配置使能和开漏电源正常引脚也有可能实现电源排序。
在省电模式下,此器件显示来自 VIN 的静态电流大约为 17μA。 如果负载小,则自动且无缝进入省电模式以在全部负载范围内保持高效率。 在关断模式下,此器件被关闭且关断流耗少于 2μA。

