问题描述:输入DC5V输出DC正负12V的设计方案?
问题帖子的链接:http://www.deyisupport.com/question_answer/analog/power_management/f/24/t/61116.aspx?pi21322198
解答问题的TI FAE有: Frank 1 、 Max Han
心得:输入正5V,输出正负12V,从标题上看是boost,对于正负电压输出,一般是需要进行隔离的。如果不看输入电压的要求,此设计方案有好多种,正激、反激、推挽、半桥等都可以实现,线性电源也是可以的。选用集成的TI电源管理芯片DCV020512D也可以搞定,关于DCV020512D
该DCV01系列是1-W,1500 Vrms的隔离,不受监管的DC-DC转换器。需要最少的外部组件,包括片上器件保护,在DCV01系列提供了额外的功能,如输出禁止和开关频率同步。
其特性有:
①高达85%的效率
②热保护
③设备到设备同步
④短路保护
其型号说明和最大额定值见下表格:
如果英文不好,建议还是要好好的学学英文,因为好多技术资料都是英文的,许多先进的技术资料也是这样的,想做好的技术就要能看懂英文手册,不然等有了中文的翻译,早就没有市场了。
每个器件电气特性
从上图中就可以选用适合自己要求的电源管理芯片
引脚配置:单路输出
引脚配置:双输出
纹波抑制
400 kHz的高开关频率允许使用简单的过滤。以减少纹波,建议至少1μF陶瓷电容是用在VOUT。双输出都应该去耦引脚52.2μF低ESR陶瓷电容的5-V输入版本的输入,并在24 V输入版本0.47μF的低ESR上限。
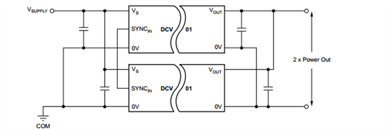
连接DCV01系列中,多个DCV01分离1W的dc-dc转换器可以串联,以提供非标准电压轨相连。这可以通过使用由该DCV01的电隔离提供的浮动输出。正VOUT连接从一个DCV01到负VOUT(0V)的另一个。如果在SYNCIN引脚被连接在一起,该DCV01的自同步功能将防止对差频电压轨。该DCV01的SYNCIN功能时不需要外接滤波容易串联连接,从而降低成本。在双输出的输出DCV01版本也可以串联连接,以提供两个倍的VOUT的大小。例如,一个双15-V的DCV01可以被连接到
提供30 V电压轨。
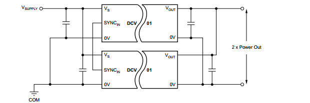
连接DCV01并行
如果从一个DCV01的输出功率是不够的,所以能够并联多个DCV01s的输出,在SYNCIN功能可以轻松同步,以防止电源摆幅跳动频率,无需额外滤波的成本。
在帖子里TI工程师也给出了电路的设计答案







