hi,你好!
我们在使用BQ76920进行4S的电池包保护板设计时发现正常将VC3短接至VC4后第4节的电芯电压采集精度明显低于第1~3节(在电芯电压高于4V时最为明显)。在4V时第4节的采集精度10mV,其它的为5mV;在4.2V时为13mV,其它的5mV。
还请帮忙看看此问题的原因,是否有策略来提高采集精度至10mV以内?
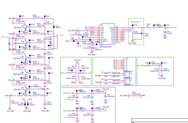
以下为原理图,5S和4S共PCB设计,5S应用时R52、R63为NC。4S应用时R184、Q38、D12、R187、R186、C101为NC

This thread has been locked.
If you have a related question, please click the "Ask a related question" button in the top right corner. The newly created question will be automatically linked to this question.
hi,你好!
我们在使用BQ76920进行4S的电池包保护板设计时发现正常将VC3短接至VC4后第4节的电芯电压采集精度明显低于第1~3节(在电芯电压高于4V时最为明显)。在4V时第4节的采集精度10mV,其它的为5mV;在4.2V时为13mV,其它的5mV。
还请帮忙看看此问题的原因,是否有策略来提高采集精度至10mV以内?
以下为原理图,5S和4S共PCB设计,5S应用时R52、R63为NC。4S应用时R184、Q38、D12、R187、R186、C101为NC

您好,
注意到您使用的是具有1千欧输入电阻器的外部 BJT,为了正确使用 BJT,可能需要的电阻要低得多。 如果这些元件需要使用1kOhm、则使用 MOSFET 进行外部电池平衡可能是更好的选择。
对于 D30/D31,假设这些用于保护引脚免受低于 VSS 的低电压的影响。 我们会改用肖特基二极管,并且还会为 REGSRC 和 BAT 引脚使用单独的 RC 滤波器。
关于不准确的问题,听起来似乎仍在该器件的规格范围内,但与其他器件的区别可能在于以某种方式加载了输入。 是否出现意外下降?
能否分享下一张示意图,其中说明哪些元件并未在使用?