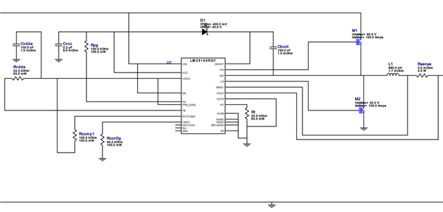
您好,我使用LM25149在板上设计了三路电源,24V输入,分别输出3.3V/16A、5V/16A和12V/8A,使用Power Designer的方案,三路电源的电压、纹波都在设计目标内,12V电源的电流能达到8A,但5V只能到3.5A,3.3V只能到1.5A。电路设计的方案、器件都是按Power Designer参考来的。PCB设计也特别注意了大电流的走线(基本上都是铺铜)。麻烦专家帮我诊断下。一下是三个电路的原理图:
1、12V


2、5V


3、3.3V


This thread has been locked.
If you have a related question, please click the "Ask a related question" button in the top right corner. The newly created question will be automatically linked to this question.
您好,我使用LM25149在板上设计了三路电源,24V输入,分别输出3.3V/16A、5V/16A和12V/8A,使用Power Designer的方案,三路电源的电压、纹波都在设计目标内,12V电源的电流能达到8A,但5V只能到3.5A,3.3V只能到1.5A。电路设计的方案、器件都是按Power Designer参考来的。PCB设计也特别注意了大电流的走线(基本上都是铺铜)。麻烦专家帮我诊断下。一下是三个电路的原理图:
1、12V


2、5V


3、3.3V


HI
电路设计还可以借助芯片官网的在线仿真webench确认,但是你还需要确认如下:
1. 功率电感饱和电路足够大。
2. layout上功率回路尽量小。
3. 确认电流sense阻抗是否合适,以及sense走线layout,避免noise导致电流饱和提前触发?