TPS6281302QWRWYRQ1电路图如下图所示,输入3.3V,输出0.8V。

问题描述:在测试幅值裕量和相位裕量过程中,在输出与FB之间串联5Ω小电阻后,输出电压不正常,输出电压在0.54V和1.85V之间变化,频率约为8.36kHz。
将5Ω电阻两端短接在一起后,可以正常输出0.8V。
测试过程中,PG为高电平,未发现有异常拉低情况。
测试图片如下:
第1张图片是输出异常的波形,第二张图片是短接5Ω后正常输出0.8V

This thread has been locked.
If you have a related question, please click the "Ask a related question" button in the top right corner. The newly created question will be automatically linked to this question.
TPS6281302QWRWYRQ1电路图如下图所示,输入3.3V,输出0.8V。

问题描述:在测试幅值裕量和相位裕量过程中,在输出与FB之间串联5Ω小电阻后,输出电压不正常,输出电压在0.54V和1.85V之间变化,频率约为8.36kHz。
将5Ω电阻两端短接在一起后,可以正常输出0.8V。
测试过程中,PG为高电平,未发现有异常拉低情况。
测试图片如下:
第1张图片是输出异常的波形,第二张图片是短接5Ω后正常输出0.8V

Hi
串联一个5ohm电阻,但是不做测试(环路测试),是否正常输出?
没有做过这样的测试,如果是要输出基准,一般直接输出接FB即可。 现在出现电压波动,可能是反馈引入了noise。
TI测试环路,一般是在高边电阻上串联一个50ohm的电阻,这个电源远远小于反馈电阻。和上述测试环境完全不同,我这边没有找到直接输出接FB的环路测试文档。
Hi
串接5Ohm情况,不做环路测试,输出不正常的,上面第一幅示波器图片就是输出不正常的现象,输出呈现锯齿状的波形。
我用镊子将5Ohm两端短接后,输出正常的0.8V,上面第二幅示波器图片就是测试正常的0.8V。
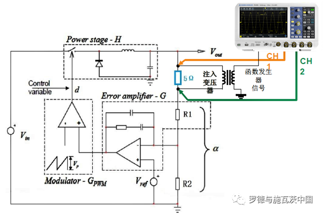
如下图所示,这个是在罗德施瓦茨微信公众号上看到的一篇环路测试文章,里面提到FB与Vout串接5Ohm电阻
轻松快速完成电源控制环路响应测量(波特图) (qq.com)

Hi
从电路差别看,就如我上面提到, TI测试环路,一般是在高边电阻上串联一个50ohm的电阻,这个电源远远小于反馈电阻。不同的是你采用的是5ohm. 也就是说问题出在不同直接通过5ohm将输出接到FB脚。
Hi,
从测试现象看,输出不正常就是串联5Ohm造成的,但是其他的buck芯片我也是这样测的,没看到出现这种问题。
为什么TPS6181302会出现这种情况?TPS6281302有测试环路的TI指导手册没?发个链接我参考一下,谢谢