帖子题目:求电源芯片选型
具体问题:社区会员Weilin Chen在2011年6月21日,在电源管理板块针对TI的充电管理芯片方案向TI相关技术人员提出了求帮助的请求,我现在有一个项目需要用到电池的监电量测,电池的过充、过放、短路等功能的产品,请推荐一款合适的IC。电池方案为4节锂电池串联,电芯为聚合物锂离子电池,单节电池的容量为4000mAh以下,电量计的输出通信接口为SMBus 。
帖子链接:
http://www.deyisupport.com/question_answer/analog/power_management/f/24/t/89.aspx
积极参与的TI FAE: Liang Sun
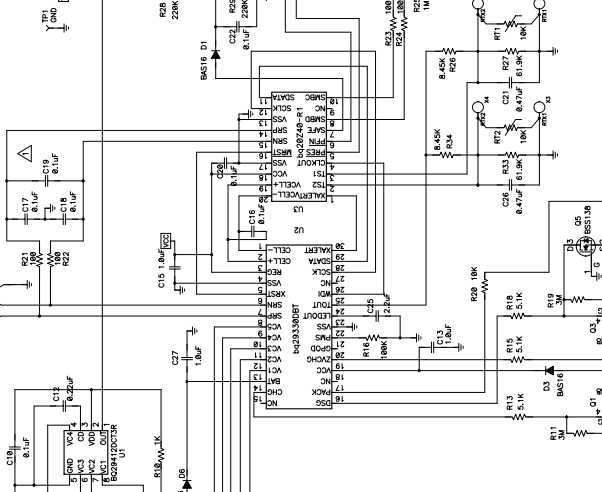
从这个案子中我学到的东西:从这个案子中我根据相关的芯片,在TI的官方网站上找到了相关的资料,在这里具有 Impedance Track 技术的符合 SBS 的电量监测计,适用于与 BQ29330 共同使用BQ20Z40(www.ti.com.cn/.../bq20z40 guide,通过自己的研究发现德州仪器 (TI) BQ20Z40是一款非常优秀的电源管理芯片,在具体应用中,Liang Sun 根据项目的具体情况 有一个项目需要用到电池的监电量测,电池的过充、过放、短路等功能的产品,请推荐一款合适的IC。电池方案为4节锂电池串联,电芯为聚合物锂离子电池,单节电池的容量为4000mAh以下,电量计的输出通信接口为SMBus。向Weilin Chen 提出了相关的方案,可以考虑bq20Z40,采用阻抗跟踪法,最多可支持4节锂电池串联。



